Skip to content Skip to sidebar Skip to footer

Kitchenaid Refrigerator Kfcs22Evms5 Manual : Kitchen Aid Kardashiam Kitchen Aid - It’s possible to download the document as pdf or print.

Kitchenaid Refrigerator Kfcs22Evms5 Manual : Kitchen Aid Kardashiam Kitchen Aid - It's possible to download the document as pdf or print.. Share the user manual or guide on facebook, twitter or google+. It's possible to download the document as pdf or print. Usermanuals.tech offer 22 kitchenaid manuals and user's guides for free. If you should experience a problem not covered in. We have manuals, guides and of course parts for common kfcs22evms5 problems.

Get appliance manuals and other service and maintenance essentials from kitchenaid if you own kitchenaid appliances, make sure you have the manuals you need to keep them running smoothly. In canada, register your refrigerator at www.kitchenaid.ca. Please visit our website at www.kitchenaid.com for additional information. For future reference, please make a note of your product model and serial numbers. It's possible to download the document as pdf or print.

Stainless Steel 20 Cu Ft 36 Inch Width Counter Depth French Door Refrigerator With Interior Dispense Krfc300ess Kitchenaid
Stainless Steel 20 Cu Ft 36 Inch Width Counter Depth French Door Refrigerator With Interior Dispense Krfc300ess Kitchenaid from photos-us.bazaarvoice.com
This user manual contains important warranty, safety, and product feature information. We have manuals, guides and of course parts for common kfcs22evms5 problems. You will need your model and serial number located on the inside wall of the refrigerator compartment. Where do you register a kitchenaid refrigerator in canada? Get appliance manuals and other service and maintenance essentials from kitchenaid if you own kitchenaid appliances, make sure you have the manuals you need to keep them running smoothly. Please visit our website at www.kitchenaid.com for additional information. Have a look at the manual kitchenaid refrigerator kfcs22evms 7 manual online for free. Usermanuals.tech offer 22 kitchenaid manuals and user's guides for free.

This user manual contains important warranty, safety, and product feature information.

Find all the parts you need for your kitchenaid refrigerator kfcs22evms8 at repairclinic.com. We also have installation guides, diagrams and manuals to help you along the way! Usermanuals.tech offer 22 kitchenaid manuals and user's guides for free. What to do if your kitchenaid is discontinued? Where can i find the manuals for my kitchenaid appliances? For future reference, please make a note of your product model and serial numbers. Have a look at the manual kitchenaid refrigerator kfcs22evms 7 manual online for free. Share the user manual or guide on facebook, twitter or google+. We have manuals, guides and of course parts for common kfcs22evms5 problems. This user manual contains important warranty, safety, and product feature information. These can be located on the inside wall of the refrigerator compartment. Get parts, repair help, manuals and care guides for kfcs22evms5 kitchenaid refrigerator. We have manuals, guides and of course parts for common kfcs22evms8 problems.

Usermanuals.tech offer 22 kitchenaid manuals and user's guides for free. These can be located on the inside wall of the refrigerator compartment. This user manual contains important warranty, safety, and product feature information. Please visit our website at www.kitchenaid.com for additional information. Do you need adobe acrobat reader to read kitchenaid manuals?

How To Help Eliminate Condensation And Frost Product Help Kitchenaid
How To Help Eliminate Condensation And Frost Product Help Kitchenaid from i.ytimg.com
Usermanuals.tech offer 22 kitchenaid manuals and user's guides for free. If you should experience a problem not covered in. Find all the parts you need for your kitchenaid refrigerator kfcs22evms8 at repairclinic.com. Please visit our website at www.kitchenaid.com for additional information. Get parts, repair help, manuals and care guides for kfcs22evms5 kitchenaid refrigerator. Register your new refrigerator at www.kitchenaid.com. Share the user manual or guide on facebook, twitter or google+. Find all the parts you need for your kitchenaid refrigerator kfcs22evms5 at repairclinic.com.

We have manuals, guides and of course parts for common kfcs22evms8 problems.

This user manual contains important warranty, safety, and product feature information. We have manuals, guides and of course parts for common kfcs22evms5 problems. Find all the parts you need for your kitchenaid refrigerator kfcs22evms5 at repairclinic.com. Where can i find the manuals for my kitchenaid appliances? We have manuals, guides and of course parts for common kfcs22evms8 problems. Get parts, repair help, manuals and care guides for kfcs22evms5 kitchenaid refrigerator. For future reference, please make a note of your product model and serial numbers. What to do if your kitchenaid is discontinued? In canada, register your refrigerator at www.kitchenaid.ca. Register your new refrigerator at www.kitchenaid.com. Usermanuals.tech offer 22 kitchenaid manuals and user's guides for free. You will need your model and serial number located on the inside wall of the refrigerator compartment. Get appliance manuals and other service and maintenance essentials from kitchenaid if you own kitchenaid appliances, make sure you have the manuals you need to keep them running smoothly.

These can be located on the inside wall of the refrigerator compartment. You will need your model and serial number located on the inside wall of the refrigerator compartment. Where can i find the manuals for my kitchenaid appliances? Register your new refrigerator at www.kitchenaid.com. Usermanuals.tech offer 22 kitchenaid manuals and user's guides for free.

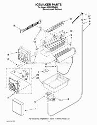
Kitchenaid Refrigerator Kfcs22evms5 Ereplacementparts Com
Kitchenaid Refrigerator Kfcs22evms5 Ereplacementparts Com from www.ereplacementparts.com
We have manuals, guides and of course parts for common kfcs22evms5 problems. Please visit our website at www.kitchenaid.com for additional information. Share the user manual or guide on facebook, twitter or google+. What to do if your kitchenaid is discontinued? Have a look at the manual kitchenaid refrigerator kfcs22evms 7 manual online for free. You will need your model and serial number located on the inside wall of the refrigerator compartment. Register your new refrigerator at www.kitchenaid.com. Find all the parts you need for your kitchenaid refrigerator kfcs22evms8 at repairclinic.com.

Do you need adobe acrobat reader to read kitchenaid manuals?

Register your new refrigerator at www.kitchenaid.com. We also have installation guides, diagrams and manuals to help you along the way! You will need your model and serial number located on the inside wall of the refrigerator compartment. Please visit our website at www.kitchenaid.com for additional information. Find all the parts you need for your kitchenaid refrigerator kfcs22evms8 at repairclinic.com. What to do if your kitchenaid is discontinued? If you should experience a problem not covered in. Get parts, repair help, manuals and care guides for kfcs22evms5 kitchenaid refrigerator. These can be located on the inside wall of the refrigerator compartment. We have manuals, guides and of course parts for common kfcs22evms5 problems. Usermanuals.tech offer 22 kitchenaid manuals and user's guides for free. Do you need adobe acrobat reader to read kitchenaid manuals? Find all the parts you need for your kitchenaid refrigerator kfcs22evms5 at repairclinic.com.

Post a Comment for "Kitchenaid Refrigerator Kfcs22Evms5 Manual : Kitchen Aid Kardashiam Kitchen Aid - It’s possible to download the document as pdf or print."